Home
(current)
公司简介
产品中心
产品应用
新闻中心
下载中心
联系我们
CN
公司简介
发展历程
企业文化
企业风采
荣誉资质
产品中心
工业控制
工业自动化
汽车电子
新能源行业
其他
产品应用
工业控制
电源能源
汽车电子
工业自动化
其他应用
新闻中心
公司动态
行业动态
下载中心
联系我们
CN
<
公司简介
发展历程
企业文化
企业风采
荣誉资质
View All >
<
产品中心
工业控制
工业自动化
汽车电子
新能源行业
其他
View All >
<
产品应用
工业控制
电源能源
汽车电子
工业自动化
其他应用
View All >
<
新闻中心
公司动态
行业动态
View All >
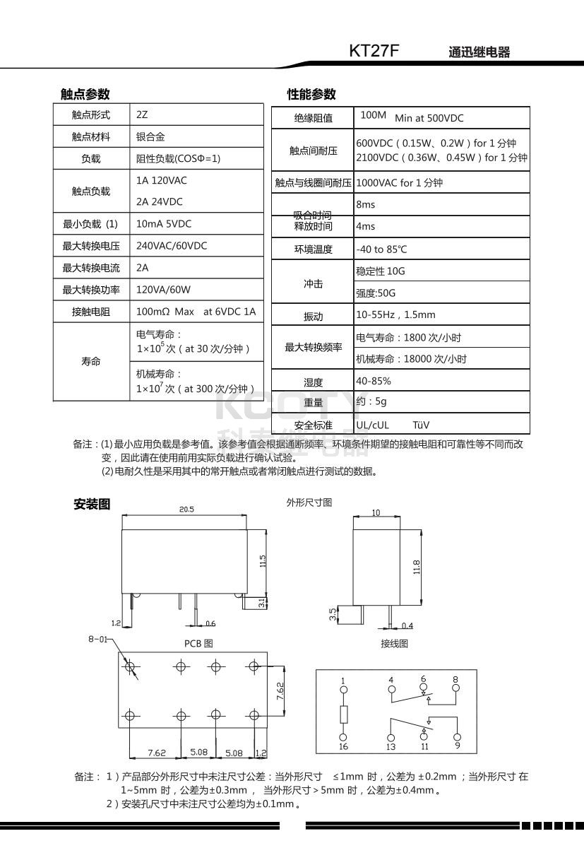
KT27F-212LZ
Description:
2 组转换接点(2Z)
触点负载:1A@120VAC/2A@24VDC
线圈功率:0.45W(N 档)
线圈电压:12VDC
密封类型:防助焊剂型
Download
KT27F-212LZSPECIFICATION
Download
Technical support:
0755-23055515
Consult Now
Introduction
You may also need the following products
KT90-112LZ-S
More
KT90-112LM-S(50A)
More
KT46-124DM1
More
Contact
Sales hotline:
13971384118(Mr. Luo)
13715000856(Miss Xie)
Technical support:
13428901413(Mr. Xie)
Miss Xie:
Mr. Luo:
Mr. Xie: